Продукты
Наружный автоматический выключатель на столбе 12 кВ
  • Наружный автоматический выключатель на столбе 12 кВНаружный автоматический выключатель на столбе 12 кВ
  • Наружный автоматический выключатель на столбе 12 кВНаружный автоматический выключатель на столбе 12 кВ
  • Наружный автоматический выключатель на столбе 12 кВНаружный автоматический выключатель на столбе 12 кВ

Наружный автоматический выключатель на столбе 12 кВ

Model:ZW20-12F
Anqiang Power — китайский производитель автоматических выключателей на опоре 12 кВ для наружной установки. Это наружное распределительное оборудование, монтируемое на столбе, имеет номинальное напряжение 12 кВ и работает от трехфазного переменного тока частотой 50 Гц. Он обладает превосходными возможностями повторного включения при использовании с контроллером, что соответствует требованиям систем автоматизации распределения. В первую очередь он используется для включения и отключения токов нагрузки и токов короткого замыкания в энергосистемах напряжением 10 кВ, а также применяется на подстанциях и в распределительных системах промышленных и горнодобывающих предприятий.

Автоматический выключатель ZW20-12F, монтируемый на столбе для наружного применения, производства Anqiang, органично сочетает в себе функции вакуумного выключателя, устройства повторного включения и секционного выключателя.  В корпусе оборудования использована технология герметичной, взрывозащищенной и изоляционной конструкции Toshiba VSP5. Входящие и исходящие трубопроводы также были улучшены для улучшения герметичности. Пружинный приводной механизм миниатюризирован, а основная цепь имеет низкое контактное сопротивление. Таким образом, этот высоковольтный автоматический выключатель для наружного применения не требует технического обслуживания и является предпочтительным выбором для автоматических выключателей, монтируемых на столбе.

Реальные фотографии товара

12KV Outdoor Pole Mounted Circuit Breaker

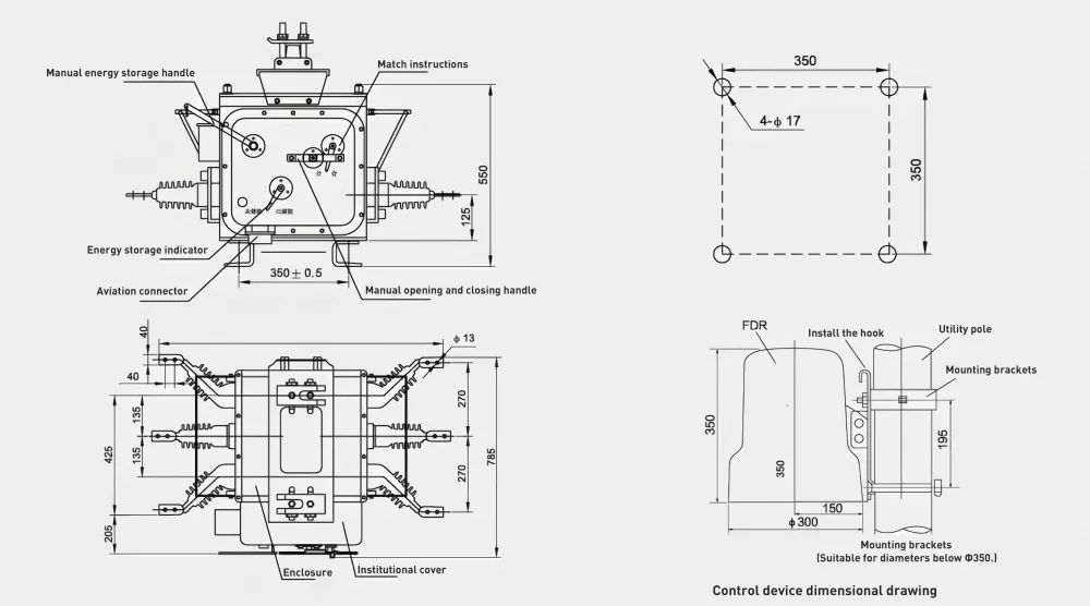
Схема размеров продукта

12KV Outdoor Pole Mounted Circuit Breaker

Технические параметры

Проект

Значение параметра

Номинальное напряжение

12кВ

Номинальная частота

50 Гц

Номинальный ток

630/1000 А

Номинальный ток отключения при коротком замыкании

20/25 кА

Номинальный пиковый выдерживаемый ток

50/63 кА

Номинальный кратковременно выдерживаемый ток

20/25 кА

Номинальный ток включения при коротком замыкании

50/63 кА

Номинальная последовательность операций

Открытие – 0,3 секунды – Закрытие – 180 секунд – Открытие – Закрытие

Механическая жизнь

10 000 раз

Номинальный ток отключающих циклов

10 000 раз

Номинальная отключающая способность при коротком замыкании

30 раз

Номинальное давление газа SF6

0 МПа


Преимущества продукта

Этот автоматический выключатель на 12 кВ для наружной установки на опоре оснащен защитой от перегрузки по току и индикатором накопления энергии пружинным механизмом.  Он также оснащен авиационным разъемом для вторичных электрических соединений, облегчающим интеграцию с интеллектуальными контроллерами. Отличные электрические и механические характеристики делают вакуумный автоматический выключатель ZW20-12F, монтируемый на опоре для наружного применения, широко применимым.


Горячие Теги: Автоматический выключатель для установки на столбе 12 кВ, Наружный электрический автоматический выключатель, Производитель высоковольтных автоматических выключателей
Отправить запрос
Контакты
  • Адрес

    Промышленная зона Цзиньлу, город Бэйбайсян, город Юэцин, город Вэньчжоу, провинция Чжэцзян, Китай

  • Тел.

  • Электронная почта

    john@chaqele.com

По вопросам, касающимся автоматического выключателя, выключателя нагрузки, разъединителя или прайс-листа, оставьте нам свой адрес электронной почты, и мы свяжемся с вами в течение 24 часов.
X
Мы используем файлы cookie, чтобы предложить вам лучший опыт просмотра, анализировать трафик сайта и персонализировать контент. Используя этот сайт, вы соглашаетесь на использование нами файлов cookie. политика конфиденциальности
Отклонять Принимать